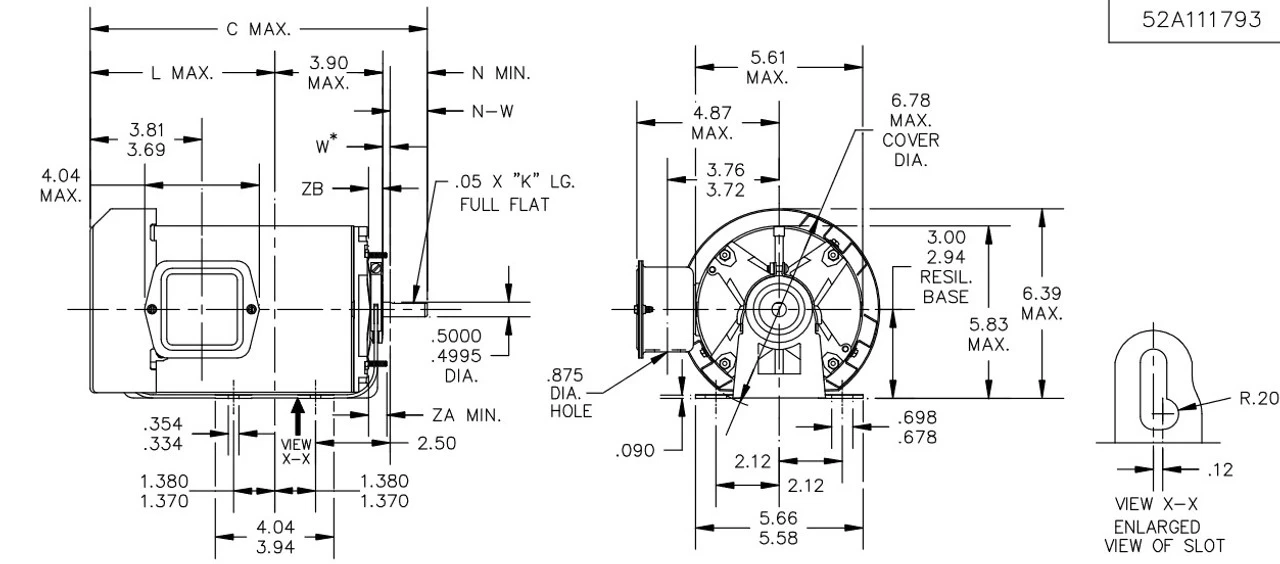
- 1/4 hp 1800 RPM, 5.1 amps, 115 Volts 60 Hz,Split Phase
- NEMA 48 Frame Flat Shaft 1 5/8″ x 1/2″ Diameter, 1 speed
- Service Factor = 1.0, Thermal Protection = None
- Resilient Base, Reversible, Ball Bearings, Class B insulation
- 1 Year Manufacture Warranty
Blower motors are used to blow air inside of buildings. Shaft may be vertical or horizontal. TEFC = Totally Enclosed Fan-Cooled. 5KH39QN9105



















Reviews
There are no reviews yet.