CENTURY AIR COMPRESSOR – 5 SPL HP – R56Y Frame – REPLACEMENT MOTOR
- 5 HP 3450 RPM, 22.0 amps
- 208-230V, Single Phase Power, 60HZ
- Capacitor Start/Capacitor Run
- Open Drip Proof – Ball Bearings – Service Factor 1.15
- Non-Reversible – CCW Rotation facing the shaft
- Manual Overload Protection
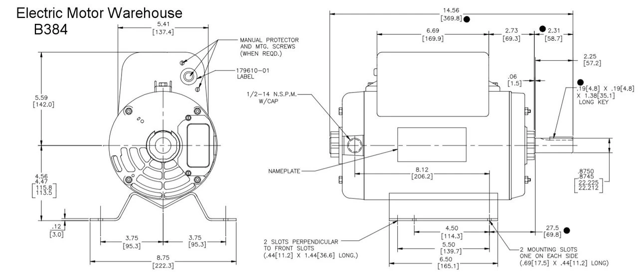
R56Y Frame size – double check your shaft height and shaft size to make sure this is the correct sizing.
- Flat Rigid Base Mount – Bolt Pattern: 4.5″-5.5″ lengths ways down the motor side, 7.5″ across the front
- Shaft: 7/8″ Diameter x 2-1/4″
- Shaft Height 4.5″
Motor is designed to be used with a belt driven compressor. Not to be used where the mount is a pivot type mount. 56Y frame is a non standard shaft.
Motor connection diagram is on motor name plate.
High starting torque on start-up, to achieve a higher starting load required in air compressor applications.
Heavy-duty construction ensures motor durability.
Century Part No. 7-182678-01, 182678
Dayton 1ATA8

















Reviews
There are no reviews yet.