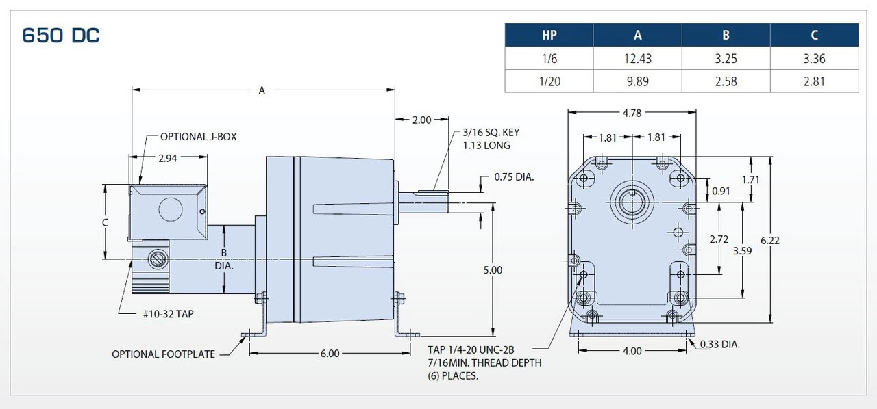
- 650 Series DC Parallel Shaft Gear Motor
- Torque 540 inch pounds; Over Hung lbs. = 900; 4 Stages
- Rotation = Reversible
- 1/6 hp 15 RPM, 1.7 amps, 90 Volts DC
- TENV Enclosure, Keyed Shaft, Ball Bearings
Optional Accessories: P198-300-0000 Junction Box. Base mounting bracket P125-650-5000. Permanent Magnet motor, Insulation Class F; Finish: Powder-coat gloss black; Brushes: Replaceable; Rear tapped hole in shaft for encoder mount. Gearhead Specifications: Housing – Precision machined die cast aluminum; Shafts – Hardened steel; Gearing: Hardened Steel worm. Forged bronze gear; Lubrication: Lifetime oil bath, sealed and gasketed; Any angle mount; Bearings – Ball and Needle Bearings. Suggested replacement reference for: Dayton 2H588. Can use with Leeson speed control 174307, 174308.














Reviews
There are no reviews yet.