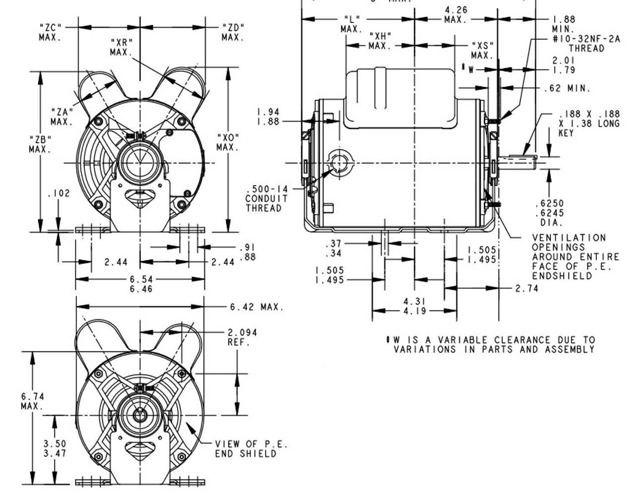
- 1 hp 1800/1200 RPM, 10.8/7.4 amps, 115 Volts 60 Hz, Capacitor Start, Capacitor Run
- NEMA 56 Frame Keyed Shaft 1 7/8″ x 5/8″ Diameter, 2 speed
- Service Factor = 1.15, Thermal Protection = None
- Resilient Base, Reversible, Ball Bearings, Class B insulation
- 1 Year Manufacture Warranty
Blower motors are used to blow air inside of buildings. Capacitor Start motors have higher starting torque than others. Capacitor Run motors have better efficiency. Shaft may be vertical or horizontal. ODP = Open Drip Proof. 5KCR49SN3009



















Reviews
There are no reviews yet.