- 125 hp 1800 RPM, 144 amps 575 Volts 60 Hz Three Phase Motor
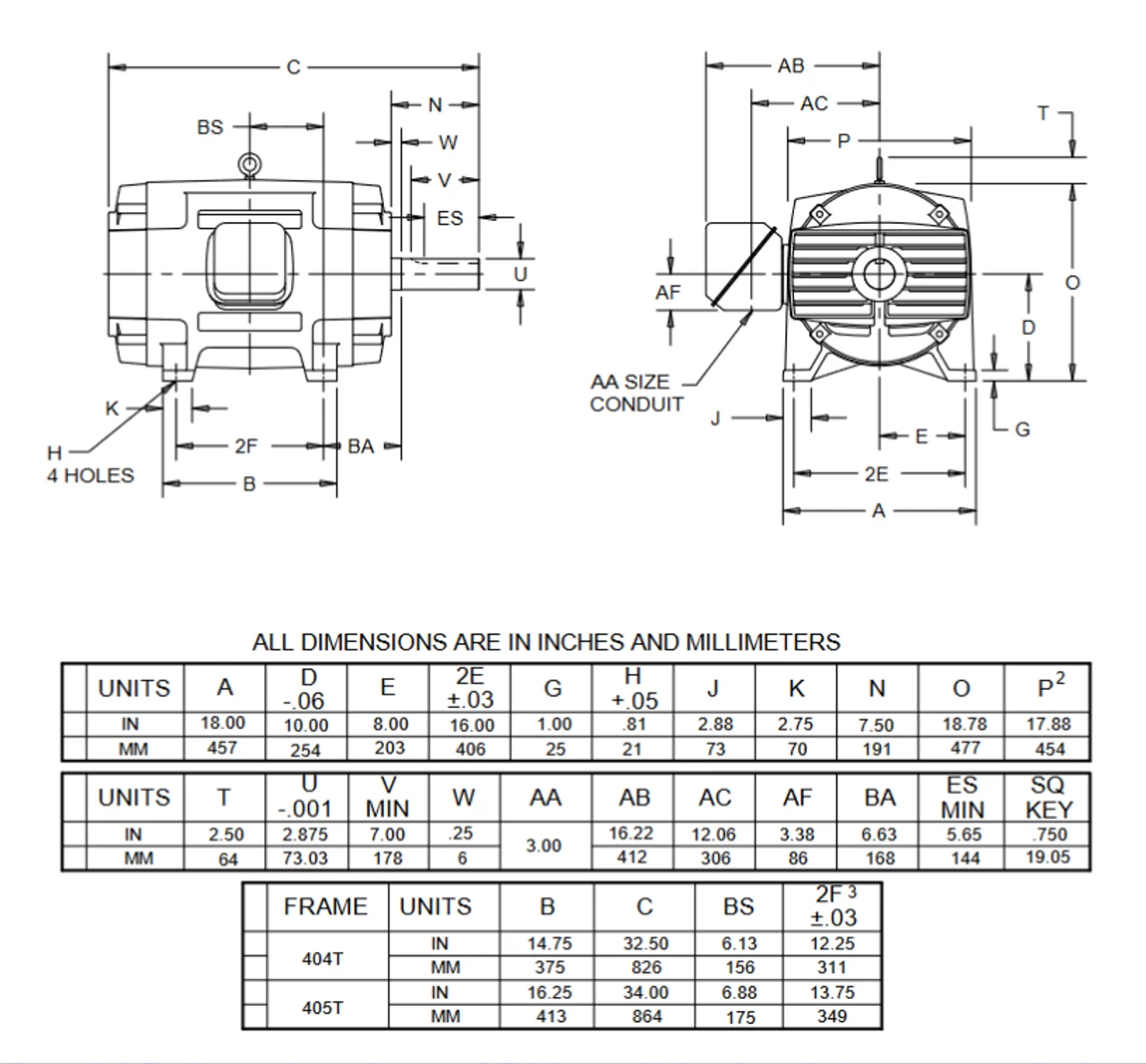
- NEMA 404T Cast Iron End Bells, Keyed Shaft 2 7/8″ Diameter x 7 1/2″
- Service Factor: 1.0 Overload protection = None, Intermittent Duty
- Rigid Base Mount, Ball Bearings, Class F Insulation,
- 1 Year Manufacture Warranty
For hydraulically driven elevators where motor remains dry. 72″ lead length. Wiring diagram on motor name plate. ODP = Open Drip Proof. BW67















Reviews
There are no reviews yet.