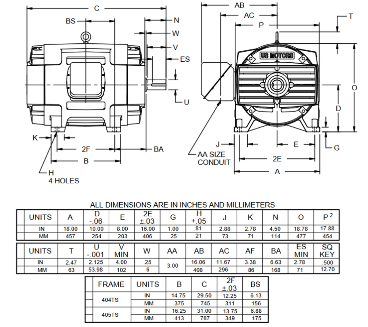
- 100 hp 1800 RPM, 261/130 amps 200/400 Volts 60 Hz Three Phase Motor
- NEMA 404TS Cast Iron Frame, Keyed Shaft 2 1/8″ Diameter x 4 1/2″
- Service Factor: 1.15 Overload protection = None
- C-Face Mount, Ball Bearings, Class F Insulation, Reversible
- 1 Year Manufacture Warranty
For fire pump applications per NFPA 20 where contaminants are minimal. Wiring diagram on motor name plate. ODP = Open Drip Proof. DC96













Reviews
There are no reviews yet.