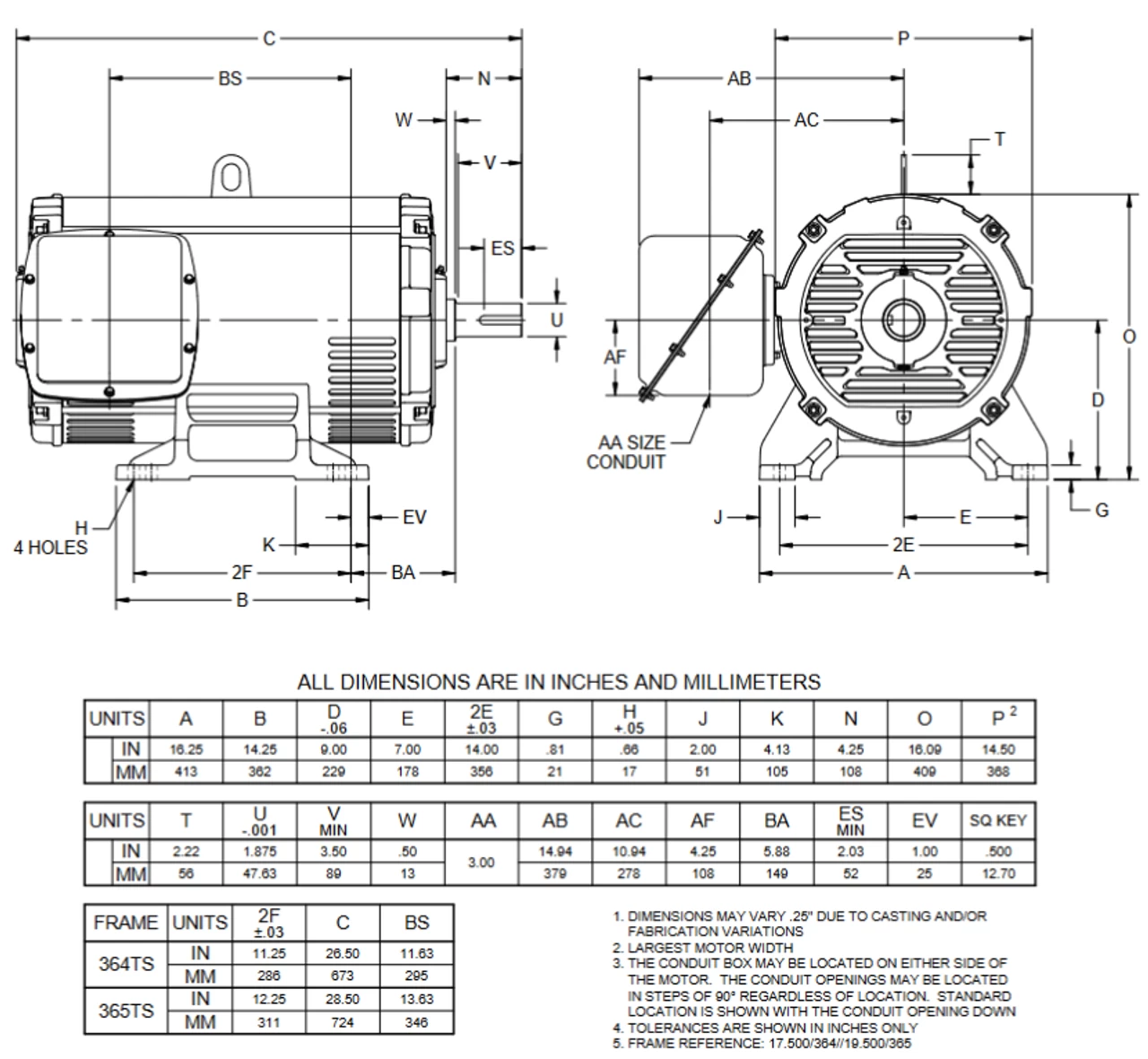
- 75 hp 3600 RPM, 172/86.0 amps 200/400 Volts 60 Hz Three Phase Motor
- NEMA 364TS Cast Iron Frame, Keyed Shaft 1 7/8″ Diameter x 4 1/4″
- Service Factor: 1.15 Overload protection = None
- C-Face Mount, Ball Bearings, Class F Insulation, Reversible
- 1 Year Manufacture Warranty
For fire pump applications per NFPA 20 where contaminants are minimal. Wiring diagram on motor name plate. ODP = Open Drip Proof. HH20














Reviews
There are no reviews yet.