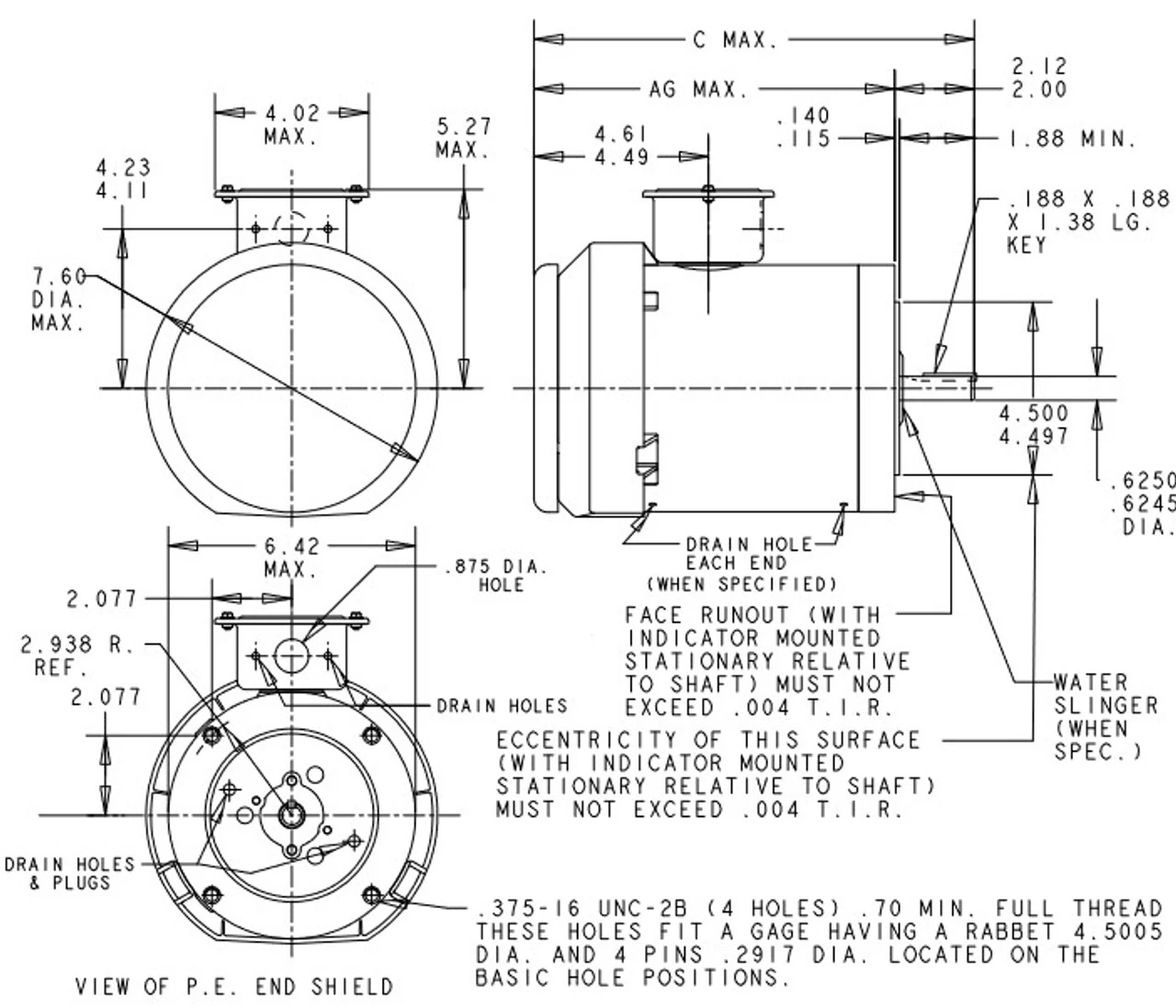
- 1 1/2 hp 1800/1500 RPM, 2.4 amps, 460/380 Volts 60 Hz. Three Phase
- NEMA 56C Frame, TEFC, Shaft 5/8″ Diameter x 1 7/8″
- Service Factor = 1.0, Overload Protection: Auto
- No Base, Reversible Rotation, Ball Bearings, Class B Insulation
- 1 Year Manufacture Warranty
Three phase motor designed for center pivot irrigation applications, TEFC = Totally-Enclosed Fan-Cooled, 5K49NN4052T



















Reviews
There are no reviews yet.