- 10 hp 1800/900 RPM (2 speed), 13.0 amps 460 Volts 60 Hz Variable Torque Three Phase Motor
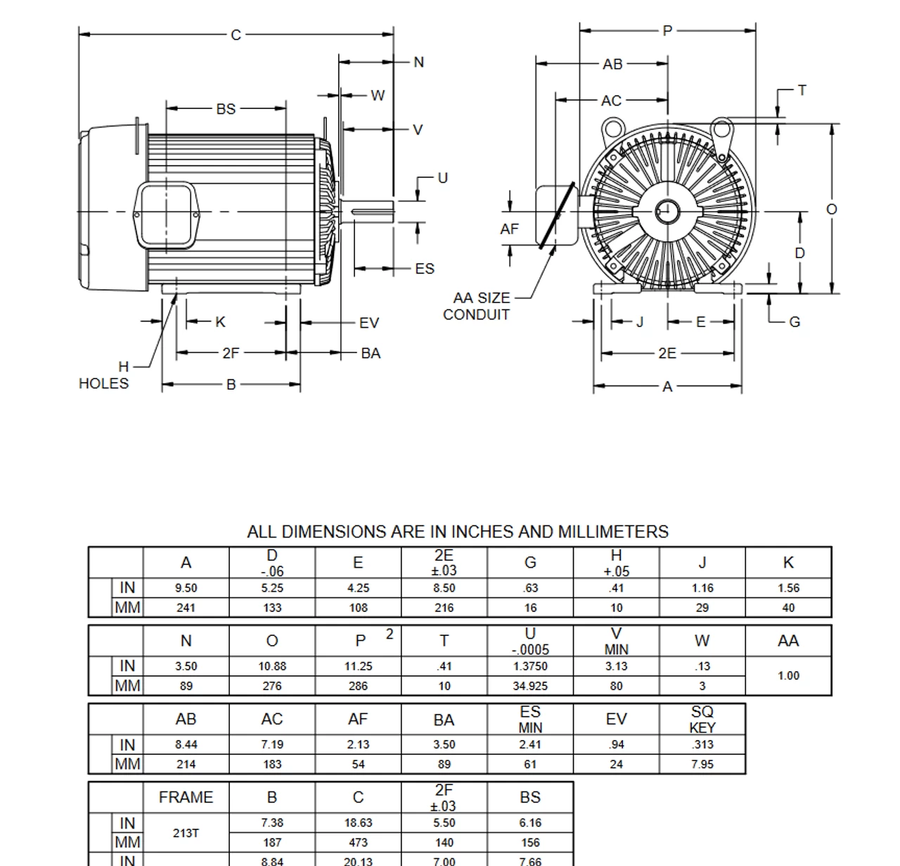
- NEMA 215T frame Keyed Shaft 1 3/8″ Diameter x 3 3/8″
- Service Factor: 1.25, Overload protection = None
- Rigid Base Mount, Ball Bearings, Class F Insulation, Reversible
- 1 Year Manufacture Warranty
This 3-phase, one winding motor is designed for use in 2-speed applications allowing for variable shaft torque. Wiring diagram on motor name plate. TEFC = Totally Enclosed Fan cooled. C867














Reviews
There are no reviews yet.