- 1 1/2 hp 1800/900 RPM (2 speed), 2.2 amps 460 Volts 60 Hz Constant Torque Three Phase Motor
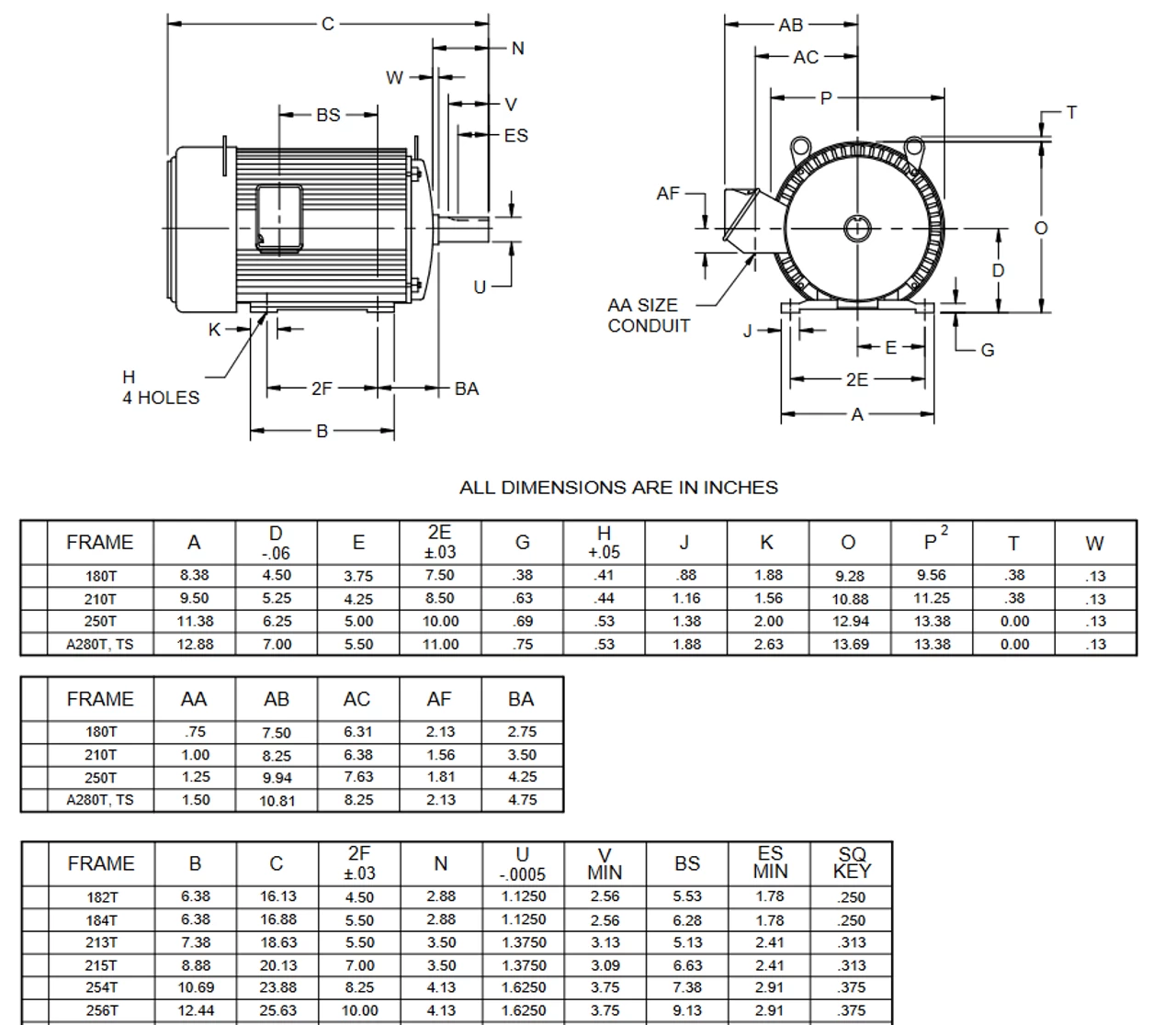
- NEMA 182T frame Keyed Shaft 1 1/8″ Diameter x 2 1/4″
- Service Factor: 1.25, Overload protection = None
- Rigid Base Mount, Ball Bearings, Class F Insulation, Reversible
- 1 Year Manufacture Warranty
This 3-phase, one winding motor is designed for use in 2-speed applications requiring constant shaft torque. Wiring diagram on motor name plate. TEFC = Totally Enclosed Fan cooled. C873















Reviews
There are no reviews yet.